Nhôm định hình 3060, nhôm định hình chuyên làm băng tải, nhôm định hình công nghiệp và phụ kiện nhôm định hình. Nhôm định hình CNC
Nhôm định hình 3060 được chọn sử dụng băng tải vì nó có ưu điểm nhẹ, kết cấu bền, trên nhôm có rãnh phù hợp lắp ru lô xoay của băng tải. Và lắp ráp thành khung băng tải đơn giản với phụ kiện đi kèm.
Do đặc điểm của băng tải thường có kích thước dài, nên việc vận chuyển từ nơi gia công băng tải đến nhà máy sử dụng gặp rất nhiều khó khắn, khi sử dụng khung thép hàn hoặc kết cấu hàn cố định.

Để việc vận chuyển đơn giản hơn chúng ta thường sử dụng nhôm định hình để làm băng tải vì những ưu điểm sau:
1.Có thể tháo thành nhiều cụm chi tiết nhỏ.
2.Trọng lượng kết cấu nhẹ.
3.Có nhiều phụ kiện đi kèm để lắp băng tải mà không cần phải gia công đặc thù.
Phụ kiện nhôm định hình 3060
1.Bọ lá
LV3030LM6: Bọ lá ốc M6, rãnh nhôm 6mm.
LV3030LM5: Bọ lá ốc M5, rãnh nhôm 6mm.
LV3030LM4: Bọ lá ốc M4, rãnh nhôm 6mm.
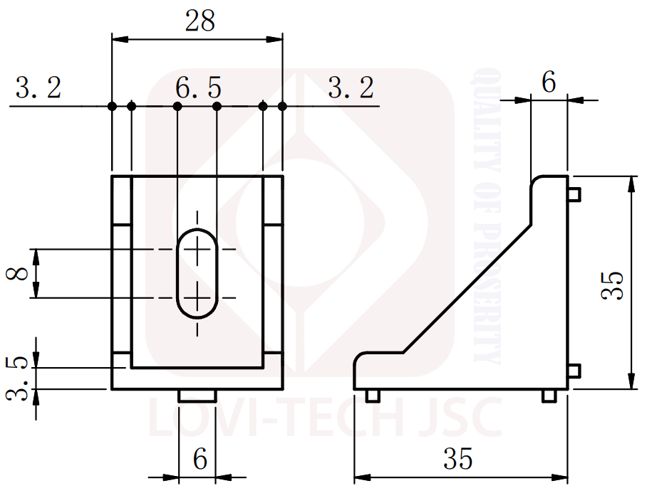
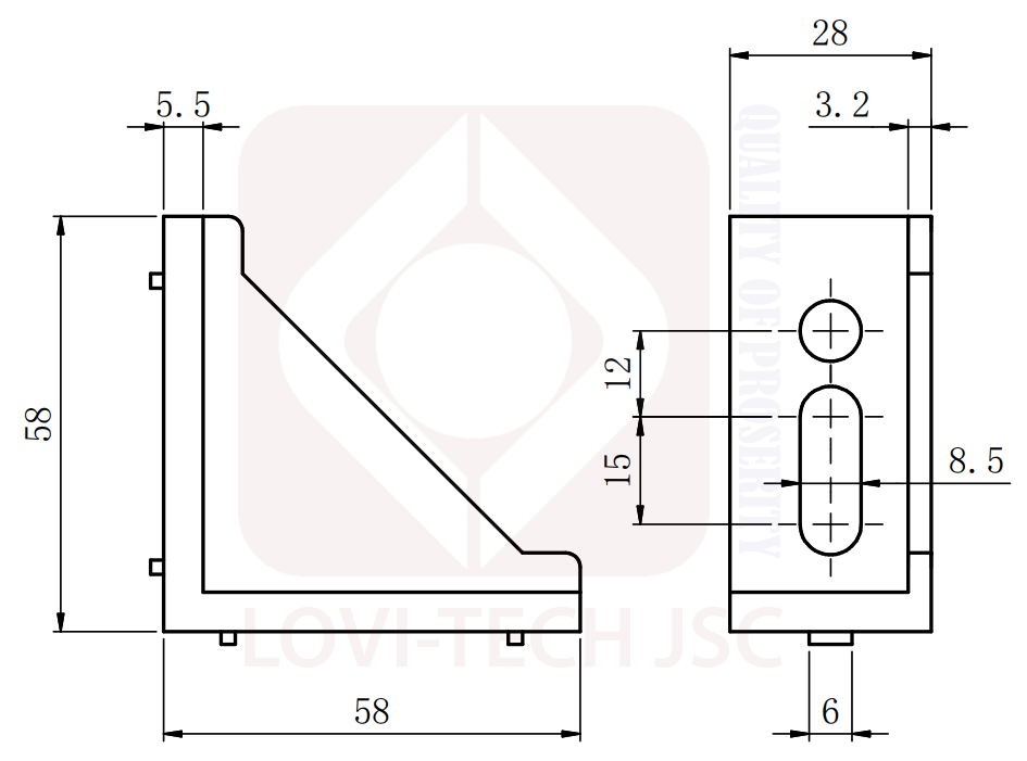
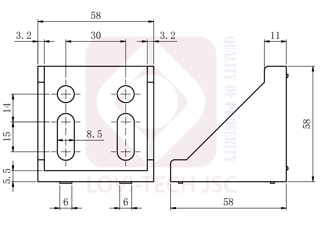
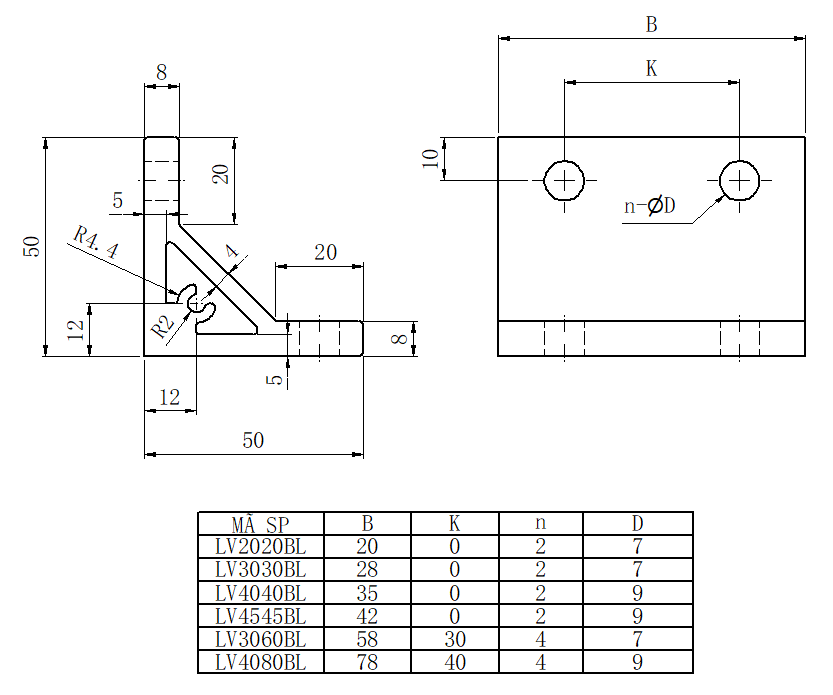
2.Ke góc
3.Ke tải trọng nặng:
LV3030BH : rộng 28mm, 2 lỗ ốc phi 7, lắp ốc M6.
LV3060BH: rộng 58mm, 4 lỗ ốc phi 7, khoảng cách giữa hai dãy lỗ 30mm, lắp ốc M6.
4. Ke góc 135 và 45 độ:
LV3030BA45: ke góc 45 độ dùng cho nhôm 30
LV3030BA135: ke góc 135 độ dùng cho nhôm 30
5.Đế và chân tăng chỉnh:
LV3060EM12 : đế lắp chân nhôm 3060 ốc M12.
LV50M12L100R: chân đế nhựa, ốc inox M12 dài 100mm, đường kính chân phi 50, góc nghiêng lớn.
LV50M12L100: chân đế cao su, ốc sắt mạ kẽm M12 dài 100mm, đường kính chân phi 50.
6.Nắp bịt đầu nhôm: LV3060C
7. Bản lề cửa: LV3030H
Thông tin sản phẩm
Hiện tại nhằm đáp ứng nhu cầu sử dụng nhôm định hình giá rẻ Lovi – tech có cung cấp nhôm định hình 3060 dài 4.5m chưa anode. Từ nhôm dài 4,5m chúng tôi có hỗ trợ cắt theo kích thước yêu cầu của khách hàng. Và có hai phiên bản nhôm không cần anode và phiên bản nhôm anode.
1.Nhôm không anode sẽ giao hàng trong ngày.
2.Nhôm anode thì giao hàng 3-5 ngày kể từ ngày đặt hàng. Vì cắt theo kích thước yêu cầu sau đó anode, nên sản phẩm sẽ có chất lượng tốt không bị trầy như nhôm đã anode trước khi cắt.
Tham khảo Các biên dạng nhôm định hình
Tham khảo giá sản phẩm tại đây.
Xin liên hệ hotline 0903.33.81.87 (điện thoại và Zalo).
Hoặc Mr.Lợi 0907.076.416 (điện thoại và Zalo).
Mail 1: phamngocloi1608@gmail.com
Mail 2: lovitechjsc@gmail.com
Địa chỉ mua hàng: 39/25A, Đường số 4, Phường Linh Tây, Quận Thủ Đức, TP.HCM
Google map: tìm với từ khóa lovi-tech hoặc lovitechic
Rất hân hạnh được phục vụ quý khách!!!
Từ khóa tìm kiếm:
nhôm định hình 3060, nhôm định hình công nghiệp, aluminium profile, nhôm định hình băng tải.






















