Phụ kiện nhôm định hình, ke góc 90 độ, bản lề, tay nắm, bọ trượt bi, ốc T, chân tăng chỉnh, cốc chân tăng chỉnh, khối lắp tấm mica, khối lắp tấm che.
Công dụng phụ kiện nhôm định hình
Như các bạn đã biết, ngày nay trong công nghiệp người ta sử dụng nhôm định hình làm băng tải, khung máy, kệ kho, hàng rào an toàn….trong nhà xưởng. Lý do nhôm định hình được sử dụng nhiều là khi sử dụng với phụ kiện nhôm định hình thì việc lắp ráp cực kỳ đơn giản và nhanh gọn, không cần gia công phức tạp.

Contents
- 1 Phụ kiện nhôm định hình
- 1.1 Ke góc
- 1.2 Bản lề nhôm
- 1.3 Tay nắm:
- 1.4 Con trượt, con lấy, Bọ
- 1.5 Cốc chân tăng chỉnh:
- 1.6 Chân tăng chỉnh:
- 1.7 Nắp nhựa che đầu nhôm
- 1.8 Nắp nhôm che đầu nhôm
- 1.9 Ron cao su – phụ kiện nhôm định hình
- 1.10 Ron nhựa
- 1.11 Block lắp mica
- 1.12 Gối đỡ trũ băng tải
- 1.13 Ke góc chìm- phụ kiện nhôm định hình
- 1.14 Bulong Inox – phụ kiện nhôm định hình
- 2 Liên hệ và Mua hàng phụ kiện nhôm định hình
Phụ kiện nhôm định hình
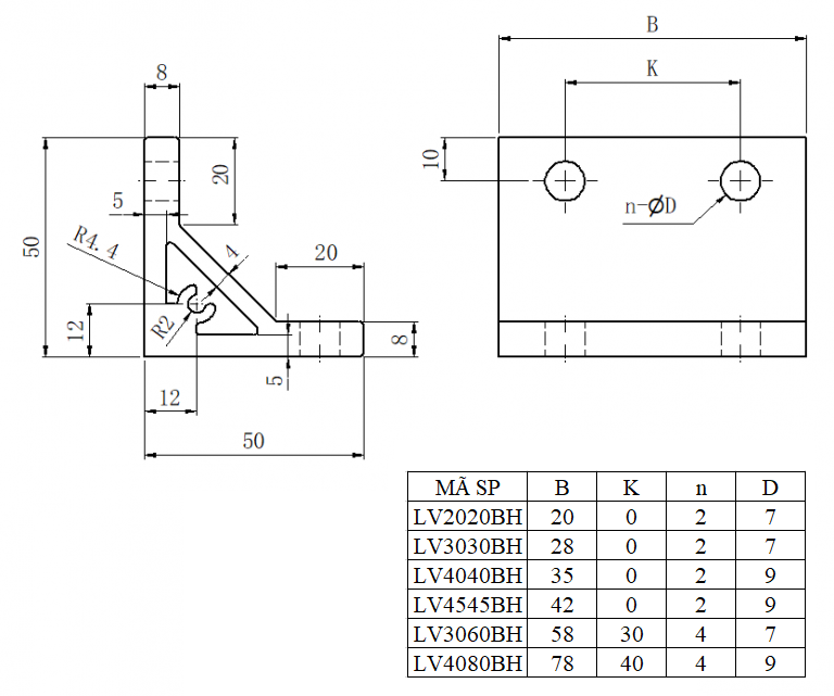
Ke góc
Giúp nối hai thanh nhôm với nhau tạo thành góc 90, 45 hoặc 135 độ tùy theo kết cấu khung nhôm.
Ke góc 90 độ tải thường (đơn vị mm)
| Ke Nhôm góc 90 độ | ||
|---|---|---|
| Mã sản phẩm | Bản vẽ kích thước | Ảnh sản phẩm |
| LV2020BL | ![]() |
![]() |
| LV2028BL | ![]() |
![]() |
| LV2430BL | ![]() |
![]() |
| LV3030BL | ![]() |
![]() |
| LV4040BL | ![]() |
![]() |
| LV4545BL | ![]() |
![]() |
| LV3060BL | ![]() |
![]() |
| LV4080BL | ![]() |
![]() |
| LV6060BL | ![]() |
![]() |
| LV8080BL | ![]() |
![]() |
Ke góc 90 độ tải nặng
Ke góc 45 và 135 độ.
Bản lề nhôm
phù hợp với khung nhôm định hình có sử dụng cửa mở ra vào
Tay nắm:
được sử dụng trên cửa nhôm định hình, cửa làm bằng mica, cửa sắt….
1.Tay nắm nhựa màu đen :
+LVPH90: khoảng cách tâm lỗ bắt ốc 90mm
+LVPH120: khoảng cách tâm lỗ bắt ốc 120mm
2.Tay nắm nhôm màu đen :
+LVAH90: khoảng cách tâm lỗ bắt ốc 90mm
+LVAH120: khoảng cách tâm lỗ bắt ốc 120mm

Con trượt, con lấy, Bọ
Bọ trượt bi:
Có bi trượt giúp có thể chỉnh vị trí bọ dễ dàng và giúp bọ không di chuyển tự do trong rãnh nhôm. Có thể thêm vào khi cần hoặc tháo ra khi không sử dụng, một cách dễ dàng ở vị trí giữa thanh nhôm mà không cần bỏ vào từ đầu thanh nhôm.

Bọ bi cho nhôm định hình.
- Nhôm 3030: M4, M5,M6
- Nhôm 4040: M4, M5, M6, M8
- Nhôm 4545: M4, M5, M6, M8
Bọ lá:
Có lá lò xo đàn hồi giúp bọ không di chuyển tự do trong rãnh nhôm. Có thể thêm vào khi cần hoặc tháo ra khi không sử dụng, một cách dễ dàng ở vị trí giữa thanh nhôm mà không cần bỏ vào từ đầu thanh nhôm.
- Nhôm 3030: M4, M5,M6
- Nhôm 4040: M4, M5, M6, M8
- Nhôm 4545: M4, M5, M6, M8
Bọ tải nặng:
Được sử dụng nhiều trong trường hợp khung máy chịu tải cao. Chỉ thêm vào hoặc lấy ra ở vị trí hai đầu nhôm, nên khi lắp ráp khung máy cần bỏ trước số lượng bọ đủ dùng vào trong rãnh nhôm trước khi lắp các vị trí đầu thanh nhôm.
Cốc chân tăng chỉnh:
Lắp ở vị trí cuối thanh nhôm giúp lắp thêm chân tăng chỉnh độ cao nhanh mà không cần gia công gì thêm.
Chân tăng chỉnh:
Chân đế cao su: đế cao su, ốc sắt mạ kẽm
Chân đế nylon xoay: đế nylon, ốc sắt mạ niken, đế xoay.
Chân inox 304: ốc và đế bằng inox 304, tấm lót cao su chống trầy
Kích thước thông dụng :
- D40-M8-L80
- D40-M10-L100
- D50-M12-L100
- D80-M16-L150
- D80-M20-L150
Nắp nhựa che đầu nhôm

Nắp nhựa
Nắp nhôm che đầu nhôm

Ron cao su – phụ kiện nhôm định hình

Ron cao su nhôm định hình
Ron nhựa
Block lắp mica

block lắp mica
Gối đỡ trũ băng tải

Gối đỡ trục băng tải
Ke góc chìm- phụ kiện nhôm định hình

Ke chìm
Bulong Inox – phụ kiện nhôm định hình

Ốc inox
>>>Giá phụ kiện nhôm định hình
Liên hệ và Mua hàng phụ kiện nhôm định hình
Download 3D phụ kiện nhôm định hình.
Quy trình mua hàng và xuất hóa đơn
Dùng cho nhôm: nhôm định hình 2020, nhôm định hình 3030, nhôm định hình 3060, nhôm định hình 4040, nhôm định hình 4080, nhôm định hình 4545 , nhôm định hình 6060 ,nhôm định hình 8080.
Xin liên hệ:
Trụ sở chính tại THỦ ĐỨC
Hotline 0903.33.81.87 (điện thoại và Zalo).
Hoặc 094.940.0091 (điện thoại và Zalo).
Địa chỉ mua hàng: 39/25A, Đường số 4, Phường Linh Tây, TP.Thủ Đức, TP.HCM
Google map: tìm với từ khóa lovi-tech hoặc lovitechic

Vị trí Cty LOVI-TECH trên google map.
Chi nhánh tại Q12
Hotline 09.39.59.67.64 (điện thoại và Zalo).
Hoặc 0907.076.416 (điện thoại và Zalo).
Địa chỉ mua hàng: 168A, Đường Đông Hưng Thuận 06, Phường Tân Đông Hưng Thuận, Q12, TP.HCM.
Google map: tìm với từ khóa lovitechq12
Mail 1: phamngocloi1608@gmail.com
Mail 2: lovitechjsc@gmail.com
Rất hân hạnh được phục vụ quý khách!!!
Từ khóa tìm kiếm:
aluminium profile, nhôm định hình công nghiệp, nhôm định hình.

































