Nhôm định hình 4545, nhôm công nghiệp, phụ kiện nhôm định hình, nhôm định hình Thủ Đức TPHCM, phụ kiện nhôm định hình. Nhôm định hình 45×45

Nhôm định hình 4545.
Nhôm định hình 4545 là nhôm định hình có kích thước tiết diện vuông 45 x 45 mm. Được sử dụng nhiều trong khung máy chịu trải trọng lớn. Với tiết diện có kích thước lớn nên có tính năng chịu được lực uốn lớn hơn nhôm 4040 hoặc 3030, giúp khung máy chống rung tốt hơn, mà vẫn đảm bảo tính linh hoạt vốn có của khung máy sử dụng nhôm định hình so với khung thép. Nhẹ hơn, tháo lắp được nên việc dễ vận chuyển và ít tốn kém hơn.

Kích thước biên dạng nhôm 4545.
Phụ kiện nhôm định hình 4545
Đi kèm với nhôm 4545 có tất cả phụ kiện thông dụng như:
1.Bọ bi:

LV4545BM8 : bọ bi đàn hồi ốc M8
LV4545BM6: bọ bi đàn hồi ốc M6
LV4545BM5: bọ bi đàn hồi ốc M5
2.Bọ lá

LV4545LM8: bọ lá đàn hồi ốc M8
LV4545LM6: bọ lá đàn hồi ốc M6
LV4545LM5: bọ lá đàn hồi ốc M5
3.Bọ thường

LV4545M8: bọ ốc M8
LV4545M6: bọ ốc M6
LV4545M5: bọ ốc M5
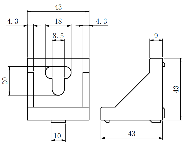
4.Ke góc:
LV4545BL: kích thước hai cạnh vuông 43mm, dày 43, lỗ ốc rộng 9, dùng ốc M8.
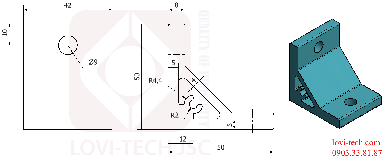
5.Ke tải nặng:
LV4545BH :kích thước hai cạnh vuông 50mm, dày 42, lỗ ốc rộng 9, dùng ốc M8.
6.Buloong, vòng đệm.

7.Cốc chân tăng chỉnh và chân đế.
LV4545EM12: Cốc tăng chỉnh nhôm 4545 ốc M12
LV50M12L100R: chân đế nhựa, ốc inox M12 dài 100mm, đường kính chân phi 50, góc nghiên lớn.
LV50M12L100: chân đế cao su, ốc sắt mạ kẽm M12 dài 100mm, đường kính chân phi 50.

8.Bản lề cửa: LV4545H

9.Tay nắm cửa.
a.Tay nắm nhựa màu đen :
+LVPH90: khoảng cách tâm lỗ bắt ốc 90mm
+LVPH120: khoảng cách tâm lỗ bắt ốc 120mm
b.Tay nắm nhôm màu đen :
+LVAH90: khoảng cách tâm lỗ bắt ốc 90mm
+LVAH120: khoảng cách tâm lỗ bắt ốc 120mm
10.Nắp nhựa bịt đầu nhôm: LV4545C
11.Ron cao su:

Ron cao su
LV4545RB: ron cao su màu đen
LV4545RC: ron cao su màu bạc
Thông tin sản phẩm
Hiện tại nhằm đáp ứng nhu cầu sử dụng nhôm định hình giá rẻ Lovi – tech có cung cấp nhôm định hình 4545 dài 4.5m chưa anode. Từ nhôm dài 4,5m chúng tôi có hỗ trợ cắt theo kích thước yêu cầu của khách hàng. Và có hai phiên bản nhôm không cần anode và phiên bản nhôm anode.
1.Nhôm không anode sẽ giao hàng trong ngày.
2.Nhôm anode thì giao hàng 3-5 ngày kể từ ngày đặt hàng. Vì cắt theo kích thước yêu cầu sau đó anode, nên sản phẩm sẽ có chất lượng tốt không bị trầy như nhôm đã anode trước khi cắt.
Tham khảo Các biên dạng nhôm định hình
Tham khảo giá sản phẩm tại đây.
Xin liên hệ hotline 0903.33.81.87 (điện thoại và Zalo).
Hoặc Mr.Lợi 0907.076.416 (điện thoại và Zalo).
Mail 1: phamngocloi1608@gmail.com
Mail 2: lovitechjsc@gmail.com
Địa chỉ mua hàng: 39/25A, Đường số 4, Phường Linh Tây, Quận Thủ Đức, TP.HCM
Google map: tìm với từ khóa lovi-tech hoặc lovitechic

Vị trí Cty LOVI-TECH trên google map.
Rất hân hạnh được phục vụ quý khách!!!
Từ khóa tìm kiếm:
nhôm định hình 4545, nhôm định hình công nghiệp, aluminium profile, nhôm định hình.















